


輕觸開關TS-1103產品簡介
TS-1103是12*12輕觸開關,是方形輕觸開關,高度有4.3/5-22等不同高度,按鍵力度有160g/250g兩種。包裝方式是袋裝,1000PCS/袋,其中輕觸開關TS-1103不能過回流焊,一般都是手工焊接.
輕觸開關TS-1103技術參數
使用范圍溫度:-20℃~70℃
保存溫度范圍:-30℃~80℃
額定值:DC 12V 50mA
接觸電阻:≤50mΩ
絕緣電阻:≥100 MΩ
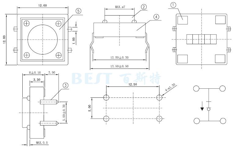
輕觸開關TS-1103參考圖紙
單位:mm


Copyright © 廣東精密龍電子科技有限公司 版權所有 粵ICP備17035144號 粵公網安備44130202001184號
全國服務電話:0755-83205533 傳真:0755-83761155
公司地址:深圳市龍崗區龍崗大道8288號深圳大運軟件小鎮45棟2樓

